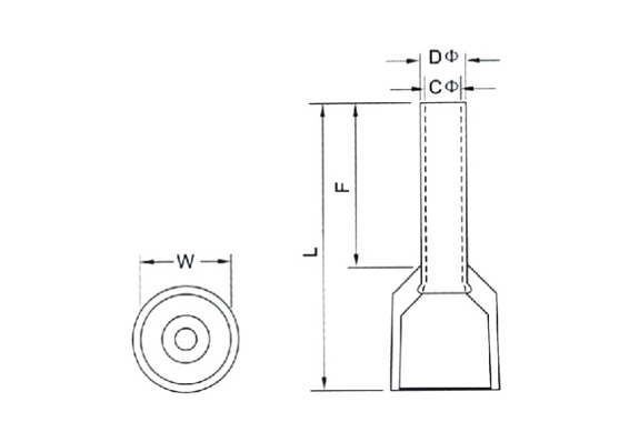
| 型號 Model | 尺寸Dimension(mm) | 導線截面 Cable size | 最大耐壓 max voltage | 絕緣套顏色 insulating tuble color | 圖紙下載 | ||||||
| F | L | W | DΦ | CΦ | A.W.G | 德國 Gemean | 法國French | ||||
| E 0506 | 6.0 | 12.0 | 2.6 | 1.3 | 1.0 | #22 | 0.5 | 105℃ Ui=300V | 橙色Orange | 白色White | 下載 |
| E 0508 | 8.0 | 14.0 | 下載 | ||||||||
| E 0510 | 10.0 | 16.0 | 下載 | ||||||||
| E 0512 | 12.0 | 18.0 | 下載 | ||||||||
| E 7506 | 6.0 | 12.4 | 2.8 | 1.5 | 1.2 | #20 | 0.75 | 白色White | 藍色Blue | 下載 | |
| E 7508 | 8.0 | 14.4 | 下載 | ||||||||
| E 7510 | 10.0 | 16.4 | 下載 | ||||||||
| E 7512 | 12.0 | 18.4 | 下載 | ||||||||
| E 1006 | 6.0 | 12.4 | 3.0 | 1.7 | 1.4 | #18 | 1.0 | 黃色Yellow | 紅色Ren | 下載 | |
| E 1008 | 8.0 | 14.4 | 下載 | ||||||||
| E 1010 | 10.0 | 16.4 | 下載 | ||||||||
| E 1012 | 12.0 | 18.4 | 下載 | ||||||||
| E 1508 | 8.0 | 14.4 | 3.5 | 2.0 | 1.7 | #16 | 1.5 | 紅色Ren | 黑色Black | 下載 | |
| E 1510 | 10.0 | 16.4 | 下載 | ||||||||
| E 1512 | 12.0 | 18.4 | 下載 | ||||||||
| E 1518 | 18.0 | 24.4 | 下載 | ||||||||
| E 2508 | 8.0 | 15.2 | 4.0 | 2.6 | 2.3 | #14 | 2.5 | 藍色Blue | 灰色Gray | 下載 | |
| E 2510 | 10.0 | 17.2 | 下載 | ||||||||
| E 2512 | 12.0 | 19.2 | 下載 | ||||||||
| E 2518 | 18.0 | 25.2 | 下載 | ||||||||
| E 4009 | 9.0 | 16.5 | 4.4 | 3.2 | 2.8 | #12 | 4.0 | 灰色Gray | 橙色Orange | 下載 | |
| E 4012 | 12.0 | 19.5 | 下載 | ||||||||
| E 4018 | 18.0 | 25.5 | 下載 | ||||||||
| E 6010 | 10.0 | 18.5 | 6.3 | 3.9 | 3.5 | #10 | 6.0 | 黑色Black | 綠色Green | 下載 | |
| E 6012 | 12.0 | 20.5 | 下載 | ||||||||
| E 6018 | 18.0 | 26.5 | 下載 | ||||||||
| E 10-12 | 12.0 | 22.5 | 7.6 | 4.9 | 4.5 | #7 | 10.0 | 乳白色Milk | 褐(棕)色Brown | 下載 | |
| E 10-18 | 18.0 | 28.5 | 下載 | ||||||||
| E 16-12 | 12.0 | 23.5 | 8.8 | 6.2 | 5.8 | #5 | 16.0 | 綠色Green | 乳白色Milk | 下載 | |
| E 16-18 | 18.0 | 29.5 | 下載 | ||||||||
| E 25-16 | 16.0 | 28.5 | 11.2 | 7.9 | 7.5 | #4 | 25.0 | 褐(棕)色rown | 黑色Black | 下載 | |
| E 25-22 | 22.0 | 34.5 | 下載 | ||||||||
| E 35-16 | 16.0 | 30.5 | 12.7 | 8.7 | 8.3 | #2 | 35.0 | 灰褐色Gray | 灰褐色Gray | 下載 | |
| E 35-25 | 25.0 | 39.5 | 下載 | ||||||||
| E 50-20 | 20.0 | 36.0 | 15.3 | 10.9 | 10.3 | #1 | 50.0 | 橄欖色Olive | 橄欖色Olive | 下載 | |
| E 50-25 | 25.0 | 41.0 | 下載 | ||||||||
| 蘇州惠華電子科技有限公司 地 址:蘇州虎丘區東金芝路29號 郵 箱:cnhuihua@hiwagroup.com |
電 話:+86-512-66719188 電 話:+86-512-65580262 傳 真:+86-512-65588963 |