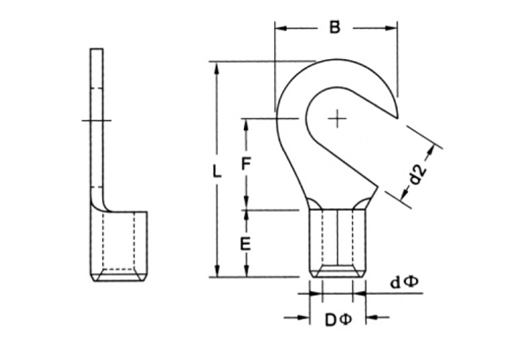
型號 | 螺栓尺寸 | 尺寸Dimension(mm) | 導線截面 | 最大電流 | 材料厚度 | Download | |||||
B | F | L | E | DΦ | dΦ | ||||||
| HNB 1.25-3.5 | 3.7 | 8.0 | 7.0 | 15.8 | 4.8 | 3.4 | 1.7 | 22-16 0.5-1.5 | Imax=19A | 0.75 | 下載 |
| HNB 1.25-4 | 4.3 | 下載 | |||||||||
| HNB 1.25-5 | 5.3 | 下載 | |||||||||
| HNB 1.25-6 | 6.4 | 11.6 | 11.0 | 21.8 | 下載 | ||||||
| HNB 2-3.5 | 3.7 | 8.5 | 7.8 | 16.8 | 4.1 | 2.3 | 16-14 1.5-2.5 | Imax=27A | 0.8 | 下載 | |
| HNB 2-4 | 4.3 | 下載 | |||||||||
| HNB 2-5 | 5.3 | 9.5 | 7.3 | 下載 | |||||||
| HNB 2-6 | 6.4 | 12.0 | 11.0 | 21.8 | 下載 | ||||||
| HNB 5.5-3.5 | 3.7 | 7.2 | 6.1 | 15.7 | 6.0 | 5.6 | 3.4 | 12-10 4-6 | Imax=48A | 1.0 | 下載 |
| HNB 5.5-4 | 4.3 | 9.5 | 9.5 | 19.8 | 下載 | ||||||
| HNB 5.5-5 | 5.3 | 下載 | |||||||||
| HNB 5.5-6 | 6.4 | 12.0 | 10.3 | 22.5 | 下載 | ||||||
| HNB 5.5-8 | 8.4 | 15.0 | 13.5 | 27.0 | 下載 | ||||||
| HNB 8-8 | 13.8 | 29.5 | 8.5 | 7.2 | 4.5 | 8A.W.G 8mm2 | Imax=62A | 1.2 | 下載 | ||
| 蘇州惠華電子科技有限公司 地 址:蘇州虎丘區東金芝路29號 郵 箱:cnhuihua@hiwagroup.com |
電 話:+86-512-66719188 電 話:+86-512-65580262 傳 真:+86-512-65588963 |